News B650(E)-Mainboards: Die Mittelklasse für Ryzen 7000 wird deutlich teurer

Rickmer schrieb:
Gibt es auch Boards ohne Wifi? Die 20€ oder so würde ich mir gerne sparen...
Wifi braucht man doch bei den Highendboards, wer hat hat schon LAN im Kinderzimmer? :confused_alt::D
 
  • Gefällt mir
Reaktionen: Rickmer, Viper816 und Chantal Shepard
Philste schrieb:
@Rockstar85 was sagst du dann zu diesem hier? Wäre für mich schon ein Blender, finde ich schon schwach, vor allem fürs Flaggschiff.
Das ist ja kein Flagschiff, das ist dieses "Gamerware" Problem..
Ich kann mit der SSD Aufteilung soweit gut leben, spannend wären hier Multi GPU Setups.
Ach ja und SSD Vollbestückung wird auch funny.. Aber sind wir ehrlich, es ist bei Intel ja nicht anders. Ich frag mich aber, wieso die Modelle so wenig SATA Ports haben.. Okay ich hab mein DVD Brenner auch beerdigt, aber ich versteh den Trend nicht. Und ja, leider meinen die Hersteller, das man sich so Diversifizieren kann, ich hätte auch zugunsten des PCIe x4 Ports da die M.2 angeschlossen.. Nur ist dann die Preisfrage, ob die Leute mit PCIe x4 Bedarf nicht weinen. Wenn wir ehrlich sind, keine m.2 SSD wird die PCIE4 Bandbreite maximal fordern... Spannend wäre wie stark die PCIe 4.0 NVME an der Bandbreite Nuckeln.
Ich sehe der I/O des Zen4 soll laut AMD ganze 24 Lanes PCIe 5.0 liefern, was er tut... Aber alleine die native PCIE 4.0 Anbindung dürfte Intels Lösung weit überlegen sein..
 
Nizakh schrieb:
Ja, da ist AM4 sicherlich aktuell noch attraktiv:
  • DDR4 günstiger
  • Mainboards günstiger
  • 5800X3D für Gaming nach wie vor mit in der Spitze

Stimmt schon. Wenn man jetzt noch die Ausstattung vergleicht, muss man aber auch fairerweise feststellen, dass die neuen Boards einfach mehr drauf haben. Das ist ein bisschen wie zu Anfang bei B450 auf B550. Da waren die B550er auch erstmal ein gutes Stück teurer. Denke über Zeit wird sich das bei gleicher Ausstattung komplett relativieren.
Aber wie du selbst sagst, die Am4-500er-Boards hatten doch bereits einen irren Preissprung gemacht (wenn man die teils sehr guten und dennoch günstigen X370-Boards als Vergleich ranzieht) bzw. Features an jeder Ecke gekappt, wenn man günstigere Modelle wollte. Jetzt bei einem abermaligen Preisanstieg mit "die bieten aber auch mehr" zu argumentieren, wirkt etwas irreführend.

Allein dass man von teils schon bei einigen Vorgängern eingeführten 10GbE wieder zurück auf die unsinnigen 2,5GbE-Zwischenlösungen gegangen ist, hat doch gezeigt, wie da jeder Cent aus dem Kunden gemolken werden soll, den man kriegen kann.
 
Xul schrieb:
Die Am4-Boards hatten doch bereits einen ordentlichen Preissprung gemacht (wenn man die teils sehr guten und dennoch günstigen X370-Boards als Vergleich ranzieht) bzw. Features an jeder Ecke gekappt, wenn man günstigere Modelle wollte. Jetzt bei einem abermaligen Preisanstieg mit "die bieten aber auch mehr" zu argumentieren, wirkt etwas irreführend.
Ja, oder die Chips sind preislich nicht mehr bezahlbar.. Mobo Hersteller rechnen auch die Stellen nach dem Komma ihren Gewinn aus. Da machen hier und da Centbeträge viel aus. Es bleibt abzuwarten, ob die Ausstattung zum B660 äquivalent ist.. Dann sieht man, ob da wirklich ein "Zuschlag" drauf kommt.
Die wissen die 33% PC Einbruch und werden diese Berücksichtigen..
 
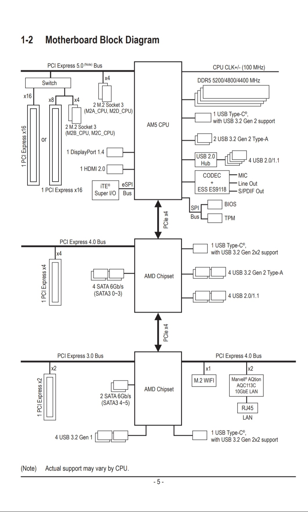
@Rockstar85 Das sehe ich anders. Das Z790 Aorus Master, das eine Stufe UNTER dem Xtreme steht (zu diesem ist die Produktseite noch nicht online) kann schon 4 M.2 SSDs versorgen, ohne an die 16 5.0 Lanes von der CPU zu müssen. Dazu noch leicht mehr USB Ports. Rein vom I/O finde ich X670 echt nicht prall, vor allem da das Board einen ja wahrscheinlich bis ZEN6 begleiten sollte. Generell das ganze Design mit dem daisy chaining und den ganzen Lanes die allein dadurch verloren gehen, nur 4 Lanes zwischen CPU und Chipset etc... Maximale Kosteneinsparung, aber dann Geld verlangen als wären die Boards vergoldet. Bis auf die reine CPU Leistung enttäuscht mich das AM5 Ökosystem bisher, muss ich leider wirklich so sagen.
 
  • Gefällt mir
Reaktionen: Viper816, Celinna, Beg1 und 2 andere
@Philste
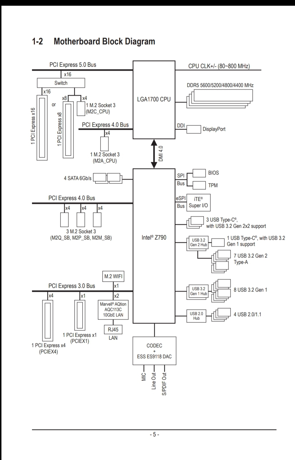
Haste dazu ein Blockschaltbild? Dann würde Asus ja Intel wieder bevorzugen.. Der DMI4.0 schafft jedenfalls keine volle PCIE4.0 Speed. (Sieht man auch auf dem Blockschaltbild von Intel)
Ich lese da (HWluxx) auch was anderes und komme zum Schluss, AMD macht es wie Intel. Ich lese da klar, dass Asus wohl mit PCIE Switches arbeitet, denn Intel sieht es genauso vor.

1664920936958.png

Review zum besagten Mobo von @schnufflon84 :
 
Zuletzt bearbeitet:
Philste schrieb:
@schnufflon84 der Chipsatz hat auch Lanes, aber nur 4.0 und 3.0. Hier das Diagramm von deinem Aorus Xtreme:Anhang anzeigen 1267001Wie du siehst kannst du "ohne Kompromisse" nur 2 SSDs benutzen, und zwar in den oberen 2 M.2 Slots. Sobald du einen der beiden unteren benutzt, aktiviert sich der Switch und deine GPU ist nur noch mit ×8 angebunden. Die Chipsätze haben bei deinem Board mit M.2 dann gar nichts zu tun.
Vielen Dank!
also die beiden obereb bei der Grafikkarte sind "vollwertige" 5.0er? oder der oberste und der unterste?
 
@schnufflon84
Also laut Schaltbild eher Jain:

1664921433137.png

Aber das dürfte egal sein, da es keine GPU gibt, die PCIE 5.0 ausreizen kann.. Du hast also mit PCIE 8x immer noch eine x16 PCIE 4.0 Leistung usw..
Intel macht es laut ihrem Blockschaltbild nicht anders. Spannend wird es, wenn es SSD gibt, die PCIE 5.0 ausreizen können. Wenn du selbst keinen Nachteil spürst, dann sollte dir auch keiner das Board madig reden.

Effektiv hast du x16 von der CPU und x8 auf dem zweiten Slot..
 
Zuletzt bearbeitet:
  • Gefällt mir
Reaktionen: Philste
@schnufflon84 wie soll man das erklären... Am Ende des Tages sind es alles "vollwertige" 5.0er. In jedem davon wirst du eine SSD mit 5.0 Geschwindigkeit betreiben können. Wenn du aber einen der unteren beiden benutzt, fällt deine Grafikkarte im oberen ×16 Slot auf ×8 zurück, da die unteren M.2 Slots und der obere PCie Slot an einem Switch hängen

@Rockstar85 Z790 Aorus Master (eine Stufe unterm Xtreme):
Screenshot_20221005_000527.jpg
Natürlich können 8 DMI 4.0 Lanes keine 3 PCIe parallel 4.0 SSDs betreiben. Aber man kann 4 SSDs ohne irgendwelche Switches benutzen, die Lanes von anderer Peripherie abzwacken.

Edit: Das mit den "8 5.0 Lanes sind ja wie 16 4.0 Lanes" ist aber ja nur die halbe Wahrheit. Mit Ada und allen aktuellen GPUs würdest du schon auf 8×4.0 gehen, da schlicht und einfach kein 5.0 Support da ist. Und bei RDNA3 weiß ich auch noch nicht, ob die 5.0 haben.
 
  • Gefällt mir
Reaktionen: Rockstar85
@Philste
Okay, so wird da ein Schuh draus... Also hat sich Asus für die Lösung entscheiden, die für PCIe 4.0 NVME besser ist, unter Rücksichtnahme eines Single GPU Systems.. und bei Intel wie du sagtest mit Kompromissen.. Mhh da wäre die Preisffrage, wie Paxisrelevant das wird und ob es ausbremst. Vllt ja was für die Mainboard Tester.. Danke für die Info, dann weicht Asus also von Intels Standard ab, bzw benutzt die Fake x12 PCIe 4.0.
ich sehe gerade, Asus benutzt Hubs bei USB, Asus hat es nativ bei AMD gelöst.. Spannend.
4x M.2 SSD ist auch schon krass Nische, oder?

Und zu ADA und RDNA3:
Ich denke bei den 4090ern und der 7900 wird es das nicht geben, aber spätestens ab der 4060/7700XT könnte es wichtig werden (vllt werden diese wirklich nur mit 8x PCIE 4.0 befeuert, wenn die Bandbreite reicht).. Ich erinnere hierzu nur an die beschnittenen PCIE 4.0 Interfaces bei AMD in der Einstiegsklasse.
Aber dazu gibt es keine Infos weswegen ich von einer Vollwertigen Abwärtskompatiblität ausgehen würde. Wichtig ist, dass 2 deiner M.2 SSD am Ende bei einer Vollwertigen x16 PCIE Karte gedrosselt werden könnten, oder der x16 Slot.
 
Zuletzt bearbeitet:
@Rockstar85 Das hier ist Gigabyte. Und "Fake" ist auch schwierig, es läuft ja alles über die DMI/PCIe Verbindung zwischen CPU und Chipsatz: USB, SATA, WIFI und was weiß ich noch alles. Das heißt die Verbindung ist eh immer ein Bottleneck. Wenn du bei X670 alle USB und SATA ports gleichzeitig befeuerst ist das dann ja genau das Selbe. Und dieses Bottleneck ist aktuell bei Intel zumindest mal doppelt so breit. Irgendwo ist es dann fake, ja. Aber ist bei AMD nicht anders.
 
@Philste:
Mit x8 DMI 3.0 hat Intel die Transferrate auf 8 GT/s (7,86 GB/s) angehoben. Mit x8 DMI 4.0 dürfe sie sich auf 16 GT/s (15,72 GB/s) abermals verdoppeln.


Doppelt so breit eher nicht.. Aber ähnlich breit wie x4 PCIE 5.0 (15,5 GB/s)
Könnte also Spanend werden. Bei mehreren gleichzeitigen PCIE 4.0 NVME wird es aber bei beiden wohl Eng..

Ich muss aber sagen, ich hoffe es wird B620 Modelle geben, denn die CPU hat genug für den Normaluser an Geräten.
 
Erst einmal abwarten wie die Preise bei ASRock so sind, denen will ich beim Systemwechsel so oder so eine Chance geben da alle AM4 Systeme die wir mit Boards von denen Gebaut haben seit Tag 1 absolut Problemlos laufen und die Lüftersteuerung meines MSI mir auf den Sack geht, und ich wart noch das Weihnachtsgeschäft ab und dann schau ich mir die B650E Boards von ASRock mal an.
 
Rockstar85 schrieb:
Doppelt so breit eher nicht.. Aber ähnlich breit wie x4 PCIE 5.0 (15,5 GB/s)
Und damit doppelt so breit wie bei X670. Ich war zuerst auch verwirrt, aber der Chipsatz bei AM5 hat definitiv nur PCIe 4.0 und damit fällt auch die Verbindung zwischen Chipsatz und CPU bei X670 und B650 auf 4×4.0 zurück, auch wenn es CPU seitig alles 5.0 Lanes sind.
 
Wow okay das wird nun echt komplitziert :o Ich seh es auch gerade.. Aber die E Modelle sind doch PCIE 5.0 everywhere?
Aber Ja, dann hast du Recht und es sind "nur" 7,8 GB/s.. Wie Stark man das auslasten kann, müssen die Tester rausfinden.. Aber schon verwirrend.
Ich versteh dann aber den Move von Gigabyte nich, dann hätte ich die an den ersten Extra Chip angebunden, meinetwegen mit einem PCIE x4 Slot im Switch..

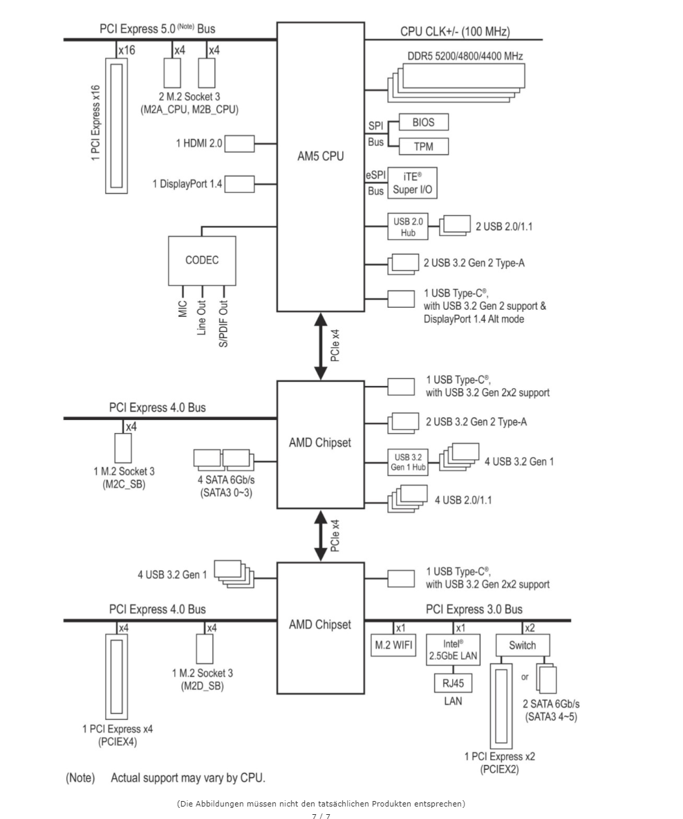
AsRock macht es scheinbar anders:
https://geizhals.de/asrock-x670e-pg-lightning-90-mxbj60-a0uayz-a2812512.html?hloc=at&hloc=de

im Master ist es auch besser gelöst:

1664922966008.png


Das wäre für mich ja ein Grund gegen Gigabyte in den günstigen Modellen, die nötigen einen dann ja zum Master.
Da bin ich mal sehr gespannt, was Gigabyte mit den B650(e) dann anstellt, denn dann haste Recht und optimale Lanenutzung geht anders. Somit wäre ich dann nach Verschaltung beim X670E von AsRock
 
Zuletzt bearbeitet:
  • Gefällt mir
Reaktionen: Philste
Das ist ja das, was ich schon bei der ersten Vorstellung von den AM5 Chipsätzen auf der Computex kritisiert habe. Das E hat interessanterweise NICHTS mit dem Chipsatz zu tun, nur mit dem Board an sich. Der Chipsatz hat immer nur 4.0 und 3.0. Das E sagt nur aus, dass die CPU ihre eigenen 5.0 Lanes auch benutzen darf. Ist doof, ich weiß.

Ein Promontory 21 Chipset hat 12×PCIe 4.0 und 4×PCIe 3.0. Die 3.0 Lanes sind aber auch wieder nur entweder/oder und zwar in diesem Fall mit SATA Ports.

Bei B650 fallen 4 von den 4.0 Lanes weg für Verbindung zur CPU. Macht 8×4.0 + 4×3.0/SATA

X670 nutzt 2 Promontory 21 Chipsets. Aaaaaber von den 24 4.0 Lanes fallen nun ganze 12 für die Kommunikation zwischen Chipsets und CPU weg. 8 im ersten (4 zu CPU und 4 zu 2tem Chipset) und 4 im 2ten (4 zu 1tem Chipset).

Also bei X670 nutzbar: 12×4.0 + 8×3.0/SATA.

Das heißt beim Aorus X670E Xtreme sind alle Lanes von Chipsatz 1 genutzt (4.0×4 Slot und 4 SATA ports). Beim 2ten sollte aber was frei sein.


Edit: Wenn es selbst beim X670E Master besser ist, frage ich mich was das seltsame Gefrickel beim noch teureren Xtreme soll.
 
Zuletzt bearbeitet:
  • Gefällt mir
Reaktionen: iron_monkey und Rockstar85
Wow echt tolle Preise, meine Glaskugel sagt die nächsten Jahre werden Margentechnisch für die ganzen Hardware Hersteller keine guten Jahre, ich gönns ihnen. Schuss nicht gehört und so.
 
  • Gefällt mir
Reaktionen: CrustiCroc
Daggy820 schrieb:
Erst einmal abwarten wie die Preise bei ASRock so sind, denen will ich beim Systemwechsel so oder so eine Chance geben da alle AM4 Systeme die wir mit Boards von denen Gebaut haben seit Tag 1 absolut Problemlos laufen und die Lüftersteuerung meines MSI mir auf den Sack geht, und ich wart noch das Weihnachtsgeschäft ab und dann schau ich mir die B650E Boards von ASRock mal an.

Mein Uralt ASRock Z77 Extreme4 (Core i5 2nd & 3rd Gen) läuft bis heute problemlos und hat meinem Core i5 2500k von 3.3 Ghz auf 4.5 GHz geholfen. Ich hätte kein Problem damit wieder zu ASRock zu greifen, obwohl es natürlich darauf ankommt, was man erwartet.
 
eddietwo schrieb:
Billigere Baords sind gut aber iwie haut mich nichts vom Hocker..
Die neuen RTX sind brutal teuer.
Die ryzen 7000 CPUS bringen in Games kaum mehr als der 5800x 3D
Allgemein lohnt sich dieses mal nichts wenn man vernünftig an die Sache dran geht.
Neues Board, DDr5 Ram und dann am Ende 10 FPS mehr..

Dachte nun kommt der KNALL und die Teile gehen durch die Decke.
Machen Sie ja auch, aber leider nur preislich:D
War bekannt und abzusehen das die Preise deutlich steigen, bei jedem Produkt und Hersteller. Ryzen 7000X3D kommt ja noch ganz offiziell.
Ergänzung ()

yxman schrieb:
Wow echt tolle Preise, meine Glaskugel sagt die nächsten Jahre werden Margentechnisch für die ganzen Hardware Hersteller keine guten Jahre, ich gönns ihnen. Schuss nicht gehört und so.
Ist doch schon lange bekannt das auch in der Branche alles deutlich teurer ist/wird, wie eben überall. Das ist nunmal das neue Normal.
Preise wie 2019 wird es schlicht nicht mehr geben. Das kann man akzeptieren oder eben nicht. Dann halt mehr und länger sparen, das kaufen was zu seinem Budget noch machbar ist, oder eben ein anderes Hobby suchen. Wenn ein Hersteller es vormacht mit hohen Preisen und Erfolg hat damit, ziehen die Aderen nach.
Wirtschaftliche Börsenunternehmen sind halt keine Sozialvereine egal Welche. Zudem warum sollte ein Hersteller der Konkurrenzfähige Produkte hat diese unter Wert gegenüber der Konkurrenz verkaufen?
Natürlich unschön für den Kunden aber macht Wirtschaftlich keinen Sinn nunmal.
Davon ab kennt man deutlich höhere Mainboardpreise bereits von X570/S und später Z690/B660.
 
Zuletzt bearbeitet von einem Moderator:
Northstar2710 schrieb:
Zu Release? Oh ja, wird bestimmt billiger als die 7000er.

Nicht die CPU.

Aber Board und DDR5 auf jeden Fall ;-)

Nicht direkt so negativ, nachdenken hilft. Kiss Kiss.
 
  • Gefällt mir
Reaktionen: Mcr-King
Zurück
Oben