14900KS in 4K Gaming im Schnitt besser als 9800X3d! Warum?

LiniXXus schrieb:
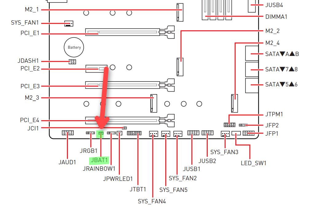
DIESES Board hat kein Bios Reset-Button!
Kann ich hier live bestĂ€tigen😋DP Kabel angeschlossen
bin dabei gegen die Bios Taste gekommen
jetzt wieder warten

 
@LiniXXus ich habe doch nie gesagt das dort ein cmos reset knopf ist oder sein könnte.
Ich rede davon, dass wenn da ĂŒberhaupt ein Knopf ist, es im besten Fall ein Cmos Reset knopf sein sollte und kein anderer. Damit er darĂŒber resetten kann.
"Sollte" ist keine Mutmaßung ob da einer sein könnte. Es ist eine Aussage darĂŒber, welcher Knopf da sein muss, um diese Funktion auszufĂŒhren. Da andere Knöpfe nicht das gewĂŒnschte Ergebnis bringen
 
derfernseher schrieb:
davor ging alles jahrelang ganz normal per HDMI, warum?
Keine Ahnung.

Habe bei mir neben meinem Monitor noch einen kleinen Bildschirm und noch mein Fernseher dran und das Bios kommt nur auf mein Monitor (DP-Kabel). Die anderen zwei Bildschirme (HDMI) bekommen erst mit Windows ein Signal.

derfernseher schrieb:
Kann ich hier live bestĂ€tigen😋DP Kabel angeschlossen
bin dabei gegen die Bios Taste gekommen
jetzt wieder warten

Du fĂŒhrst jetzt erneut ein Bios flash durch und damit wird auch das Bios zurĂŒckgesetzt. Nur geht mit dem flashen was schief, rettet dich dieser Flashbutton nicht immer. Dann muss das Bios mit einer Bioszange neu geflasht werden. Daher fĂŒhrt man normalerweise nicht unnötig ein flash durch.

Ziehe am besten mal den Stick ab, dann wird das Bios nicht mehr versehentlich geflasht.
ErgÀnzung ()

@Supertoaster98
Dann habe ich dich möglicherweise missverstanden. :D
 
Zuletzt bearbeitet:
  • GefĂ€llt mir
Reaktionen: Supertoaster98
@LiniXXus passiert in Schriftform gerne mal😂
 
  • GefĂ€llt mir
Reaktionen: LiniXXus
Jetzt im Bios! Hab‘ nur ein DP auf HDMI Adapter
da war Bild auch schwarz
 Dann HDMI nicht an 3090 angeschlossen, sondern ĂŒber Mainboard, jetzt klappts

 
Falls du das mal mit einem Bios Reset komfortabler haben möchtest, dann kannst du auf diese zwei Pins einfach solch ein Reset-Button drauf stecken.
https://www.amazon.de/R02-Startknopf-Power-Cable-Hauptschalter-schwarz-rot/dp/B079Q5MS6W

Ashampoo_Snap_Samstag, 11. Januar 2025_21h32m54s.png

Aber zuvor das Netzkabel vom Netzteil zuvor abziehen und den Rechner stromlos machen.
Diese zwei Pins kannst du auch mit einem Schraubenzieher fĂŒr 5 - 10 Sekunden ĂŒberbrĂŒcken.

derfernseher schrieb:
DP auf HDMI Adapter

Mit Adapter geht nicht, aber wenn es direkt ĂŒbers Mainboard jetzt geht, ist dein Ziel auch erreicht.
 
  • GefĂ€llt mir
Reaktionen: derfernseher
pic
ErgÀnzung ()

LiniXXus schrieb:
Mainboard jetzt geht, ist dein Ziel auch erreicht.
Yes, in der Regel einstellen und fertig!
ErgÀnzung ()

Der KS hat hier ja auch nur 0.864V VCore
 

AnhÀnge

  • IMG_9462.jpeg
    IMG_9462.jpeg
    1,5 MB · Aufrufe: 35
  • GefĂ€llt mir
Reaktionen: LiniXXus
  • GefĂ€llt mir
Reaktionen: LiniXXus
derfernseher schrieb:
Der KS hat hier ja auch nur 0.864V VCore
Ist bei mir auch, weil hier nicht die volle Leistung anliegt.
Dieselbe Spannung liegt mit Windows im Energiesparen Ausbalanciert auch ca. an.
Ashampoo_Snap_Samstag, 11. Januar 2025_21h41m13s.png
Ashampoo_Snap_Samstag, 11. Januar 2025_21h48m26s.png


Die Spannung wird unter Last ausgelesen.
Ashampoo_Snap_Samstag, 11. Januar 2025_21h44m41s.png Ashampoo_Snap_Samstag, 11. Januar 2025_21h42m51s.png
 
Zuletzt bearbeitet:
  • GefĂ€llt mir
Reaktionen: Supertoaster98 und derfernseher
Bei asus besteht die Möglichkeit, ihn im bios auch auf dem oc clock laufen zu lassen, aber das macht keinen Sinn
Wird wĂ€rmer und bei InstabilitĂ€ten musst du cmos clear machen 😂
 
  • GefĂ€llt mir
Reaktionen: LiniXXus
Mein Sohn klage mal, dass sein 13900K Prozessor ab und zu instabil lief. Nachdem ich mir das Bios angeschaut habe, hatte er versehentlich statt das XMP-Pofil auf CPU (Gaming Boost) geklickt. :D

Der Prozessor lief damit ca. 100 MHz höher.
Das Boad hat aber dieses OC nicht ganz stabil laufen lassen.
 
  • GefĂ€llt mir
Reaktionen: Supertoaster98 und derfernseher
@LiniXXus Auch nicht schlecht😂
Aber ich meine eher das man die Möglichkeit hat, die cpu im base clock bei 3,4ghz (13700k) im bios laufen zu lassen, oder auf den selbst eingestellten oc wert.
Aber wenn die instabil waren, ists ne GlĂŒcksache ob dein bios stable bleibt um es zu Ă€ndern oder ob du zu cmos clear gezwungen bist😂
 
  • GefĂ€llt mir
Reaktionen: LiniXXus
Mit den 1,190v aus meinem Screenshot stimmt, da bezĂŒglich der 307A nicht der volle Takt anliegt und so die P.Kerne nur mit 5,1 GHz takten und die E.Kerne mit 3,9 GHz.

Aber das ist jetzt nur mit diesem Stresstest und Benchmark der Fall.

Supertoaster98 schrieb:
Aber wenn die instabil waren, ists ne GlĂŒcksache ob dein bios stable bleibt um es zu Ă€ndern oder ob du zu cmos clear gezwungen bist😂
OC mache ich manuell und nicht ĂŒber solche OnBoad Funktionen.
Mit UV ist es ja auch nicht anders.
 
  • GefĂ€llt mir
Reaktionen: Supertoaster98
@LiniXXus von onboard oc redet ja auch keiner, die sind eh alle fĂŒr die Tonne
Wer die mit stolz nutz hat die Kontrolle ĂŒber sein Leben verlorenđŸ§đŸ»đŸ˜‚
 
  • GefĂ€llt mir
Reaktionen: LiniXXus
Danke, LĂŒfterkurve angepasst wie mit 12900K und Powerlimit 180W und Adaptive +Offset -0.100
 Mal schauen, wie‘s abgeht
MSFS
ErgÀnzung ()

Bitte keine Updates MSFS

 
  • GefĂ€llt mir
Reaktionen: Supertoaster98
derfernseher schrieb:
Adaptive +Offset -0.100

Hast du zuvor ausgetestet, ob dein Arbeitsspeicher mit 6400 MT/s stabil lÀuft?
Also XMP-Profil bereits aktiviert? Denn auf deinem Screenshot hattest du dieses noch nicht.
 
LademenĂŒ
 

AnhÀnge

  • IMG_9463.jpeg
    IMG_9463.jpeg
    1,8 MB · Aufrufe: 29
Mit Last auf alle Kerne passt es.
 
  • GefĂ€llt mir
Reaktionen: Supertoaster98
ZurĂŒck
Oben